中文
|
English
首页
关于桦沣
产品展示
应用中心
新闻中心
客户留言
公司招聘
联系我们
应用中心
Application
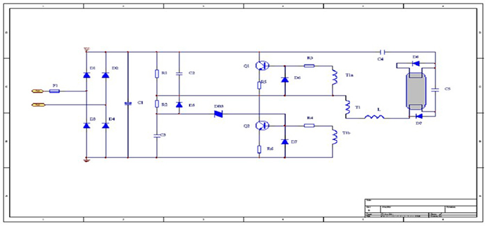
典型自激电子镇流器电路
电源适配器
大功率电源
RCC充电器
LED灯
HID灯
首页
>
应用中心
>
典型自激电子镇流器电路
典型自激电子镇流器电路